HUSQVARNA bussning för avgasrör 8,5x12x28x8,3
HUSQVARNA bussning för avgasrör 8,5x12x28x8,3
Parastā cena
69.00 kr
Izpārdošanas cena
69.00 kr
Parastā cena
0.00 kr
Moms ingår i priset
Finns i lager (2 eller fler artiklar).
Produkten finns i lager
Leverans med DPD
26 december – 29 december
Artikelnummer:
77805069000
Streckkod:
2100037756791
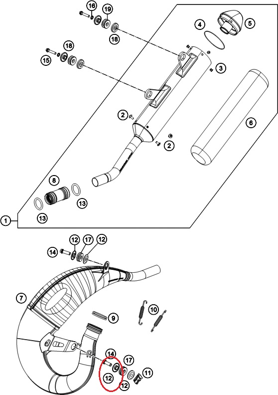
KTM Avgassystembussningar 8,5x12x28x8,3 (Artikelnummer 77805069000)
- Kompatibel med KTM-motorcyklar, inklusive 2025-modeller.
- Specificerad för 2025 KTM 500 EXC-F (EU)-modell.
- Mått: 8,5 mm x 12 mm x 28 mm x 8,3 mm.
- Visas som position #2 i avgassystemdiagrammet.
- Antal som krävs per motorcykel: 2.
- Avsedd för användning i avgassystemenheten.
- Kompatibel med vissa Husqvarna-modeller på grund av vanliga komponenter.
Passform
- Specifikt specificerad för 2025 KTM 500 EXC-F (EU) modell.
- Kan även passa andra KTM- eller Husqvarna-motorcyklar med liknande avgassystemkonfiguration. Kontrollera alltid delkompatibilitet före köp.


